h免费在线观看_亚洲热在线视频_四虎影院免费看_国产在线视频三区_三级欧美在线_四虎av网址

  • 服務熱線:021-80370923

氣動對夾式蝶閥

氣動對夾式蝶閥圖片

氣動對夾式蝶閥

  • 閥門型號:D671X,D671F46,D673H
  • 通徑規格:DN50~DN1200
  • 結構形式:對夾式(中線型、三偏心)
  • 閥體材質:球墨鑄鐵、鑄鋼WCB、不銹鋼304、316
  • 公稱壓力:PN6、PN10、PN16、PN25
  • 適用溫度:-40℃~450℃
  • 應用范圍:污水、水、蒸氣、油品、腐蝕性介質
  • 產品特點:閥體小,結構簡單,可用于空間狹窄、管道距離短的工況
氣動對夾式蝶閥概述:
 
氣動對夾式蝶閥顧名思義就是采用對夾的方式,將蝶閥夾在管道的兩端法蘭之間,然后用一組螺栓穿過螺栓孔固定起來。氣動對夾式蝶閥的閥體體積小,閥體厚度相對比較薄,特別適合用在管道兩端距離偏短或空間有限的場合里。氣動對夾式蝶閥根據密封結構不同分為軟密封和金屬密封,其中軟密封蝶閥為中線型結構,具有防腐蝕、零泄漏等優點,而硬密封蝶閥為三偏心式,具有磨損少、使用壽命長等優點。

氣動對夾式軟密封蝶閥                         氣動對夾式硬密封蝶閥
氣動對夾式蝶閥原理:
 
氣動對夾式蝶閥是以壓縮空氣0.4-0.7MPa的氣源為動力,驅動閥桿帶動帶碟板在閥體內做0-90度的旋轉,達到對蝶閥全開和全關的操作控*。氣動對夾蝶閥可根據工況要求,對執行器裝配閥門定位器,輸入4-20mA的相關信號,從而控*蝶閥碟板的開度大小,實現對管道中介質的壓力、流量、溫度、液位等參數的百分比*準調節。氣動對夾蝶閥不僅可用于工業自動控*系統中作就地控*,也可進行遠距離集中控*,是工業管道中應用優*選用的系統裝置之一。

氣動對夾式蝶閥附件選項:
 
回訊器:也叫限位開關,遠程反饋開關信號
電磁閥:雙作用選二位五通、單作用選二位三通
三聯件:可對氣源穩壓、過濾、氣缸加潤滑油 YT-200
手輪機構:可配手輪機構,應急時實現手動開、關閥
閥門定位器:輸入4~20mA信號,實現閥門調節功能

低壓氣密試驗:0.5~0.7

強度試驗:0.9   1.5   2.4   3.75
密封試驗:0.66   1.1   1.76   2.75
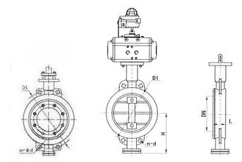
氣動對夾式蝶閥結構圖
 
氣動對夾式蝶閥技術參數:

公稱通徑 DN25~DN800(mm)
公稱壓力 PN0.6、1.0、1.6、2.5MPa
驅動方式 氣源驅動,壓縮空氣5~7bar(可帶手輪)
連接形式 對夾式連接
密封材料 軟密封(橡膠、PTFE、PPL)、硬密封
使用溫度 軟密封≤180℃,金屬密封≤550℃
可選配件 限位開關、定位器、電磁閥、減壓閥
適用介質 污水、水、蒸氣、油品、腐蝕性介質等
作用形式 單作用(氣開、氣關式)、雙作用(調節控*型4~20mA)

氣動對夾式蝶閥安裝須知:
 
氣動對夾蝶閥一般不能用于管線的末端和下游需要拆卸的場合,因為當下游的法蘭拆卸下來的時候,對夾式的閥門會掉下來,這種情況就必須要在另外做短節以便拆卸,而法蘭式蝶閥不存在上面的問題,但是成本會比較高。
氣動對夾蝶閥和法蘭蝶閥用途相同,都是對介質流量進行開關或調節,它們的不同在于安裝形式,當壓力過大時,一般都建議法蘭式蝶閥相對好一些,對于具有危險性的流體也建議使用法蘭式蝶閥。

相關產品: 電動對夾式蝶閥    氣動對夾式襯氟蝶閥    氣動對夾式襯膠蝶閥    氣動對夾中線蝶閥
上一篇:氣動法蘭蝶閥 下一篇:氣動通風蝶閥