h免费在线观看_亚洲热在线视频_四虎影院免费看_国产在线视频三区_三级欧美在线_四虎av网址

  • 服務熱線:021-80370923

氣動調節蝶閥

氣動調節蝶閥圖片

氣動調節蝶閥

  • 閥門型號:D671X,D641X,D673H,D643H
  • 通徑規格:DN50~DN1200
  • 結構形式:中線型,三偏心(對夾式,法蘭)
  • 閥體材質:鑄鋼WCB、不銹鋼304、不銹鋼316
  • 公稱壓力:PN10、PN16、PN25、PN40
  • 適用溫度:-40℃~450℃
  • 應用范圍:氣體、水、蒸氣、油品、酸類腐蝕性等
  • 產品特點:實現對介質流量、壓力、溫度等參數的調節控制
氣動調節蝶閥簡介:
 
氣動調節蝶閥是利用氣源驅動來調節碟板開度,從而控*介質流量大小的可調節型氣動蝶閥,主要由蝶閥與氣動執行器、閥門定位器及其它附件配套組合而成。氣動調節蝶閥根據自動化系統中閥門定位器輸入4-20MA的信號后,通過0.4-0.7MPa進氣來調節閥門的開度大小,從而實現對管道中介質流量、壓力、溫度和液位等工藝參數的比例式*確調節,是調節流量和截斷流體的*佳裝置。氣動調節蝶閥可根據工況需要選用不同密封件(軟密封和硬密封),以滿足于不同的使用要求,廣泛應用于化工、環保、空氣、水、燃氣、蒸汽及含有腐蝕性介質的管道上。
氣動調節蝶閥圖片
氣動法蘭調節蝶閥                                    氣動對夾式調節蝶閥
氣動調節蝶閥原理:
 
氣動蝶閥執行機構分為單作用和雙作用原理,也就是常見的氣動開關蝶閥和氣動調節蝶閥。單作用為氣關彈簧復位式和氣開彈簧自動歸位,單作用適用于要求常開或常閉的場所。雙作用為氣開氣關式,開啟和關閉都需要氣源壓力,而調節型氣動蝶閥應當選用雙作用方式。

氣動調節蝶閥技術參數:
 
公稱通徑 DN50~DN1200(mm)
壓力等* PN1.0、1.6、2.5、6.4MPa
連接方式 法蘭、對夾式連接
密封形式 軟密封或金屬硬密封
驅動方式 氣源驅動,壓縮空氣4~7bar(可帶手輪)
動作范圍 0~90°
閥體材質 碳鋼、不銹鋼304、不銹鋼316
工作場合 水、蒸氣、油品、酸類腐蝕性等(高溫場合)
溫度范圍 軟密封:-29℃~180℃ 硬密封:-40℃~550℃
控*方式 裝配閥門定位器,智能調節型(4~20mA模擬量信號)

氣動調節蝶閥標準規范:

設計標準:GB/T2238-1989
結構長度:GB/T12221-1989   
壓力試驗:GB/T13927-2000;JB/T9092-1999  
法蘭連接尺寸:GB/T9113.1-2000;GB/T9115.1-2000;

可調范圍R:50:1
使用次數:100萬次
回差:帶定位器:小于全行程的2%
基本誤差:帶定位器:小于全行程的±2%
泄露量l/h:符合ANSI B16.104 IV*標準
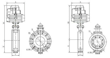
氣動調節蝶閥結構圖
 氣動調節蝶閥(法蘭式)          氣動調節蝶閥(對夾式)

氣動調節蝶閥執行器參數:

執行機構 GT、AT、AW系列單雙作用氣動執行器
供氣壓力 0.5~0.7MPa
氣源接口 G1/4"、G1/8"、G3/8"、G1/2"
環境溫度 -30~+70℃
作用形式 雙作用執行機構:氣關式(B)--失氣時閥位保持(FL);氣開式(K)-- 失氣時閥位保持(FL)
可選附件 定位器、電磁閥、空氣過濾減壓器、保位閥、行程開關、閥位傳送器、手輪機構等

相關產品: 電動調節蝶閥     氣動風量調節蝶閥     氣動開關蝶閥
上一篇:氣動真空蝶閥 下一篇:氣動三偏心蝶閥